薄荷脑是一种具有镇痛、止咳和清凉作用的化学物质,但过量使用可能会对人体健康造成危害。
本文建立了川贝枇杷糖浆中薄荷脑的 GC 测定方法。参照 2020 版《中国药典》色谱条件,采用色谱柱SH-Wax分析川贝枇杷糖浆中薄荷脑,结果显示,薄荷脑峰形对称,理论塔板数大于5000,薄荷脑与相邻杂质峰基线分离,满足《中国药典》要求。此方法可为川贝枇杷糖浆中薄荷脑的检测提供参考。
实验部分


01
实验仪器及耗材
Shimadzu GC-2030 气相色谱仪;
色谱柱:SH-Wax
(30m,0.32mm×0.25μm;
P/N:221-75895-30);
SHIMSEN Arc Disc HPTFE 针式过滤器(P/N:380-00341-05);
GC-MS 认证样品瓶 LabTotal Vial
(P/N:227-34002-01);
SHIMSEN Pipet 移液枪:
SHIMSEN Pipet PMII-10
(P/N:380-00751-02);
SHIMSEN Pipet PMII-100
(P/N:380-00751-04);
SHIMSEN Pipet PMII-1000
(P/N:380-00751-06)。
02
对照品溶液的制备
取萘适量,精密称定,加环己烷制成每1mL 含15mg 的溶液,作为内标溶液。另取薄荷脑对照品75mg,精密称定,置5mL量瓶中,用环己烷溶解并稀释至刻度,摇匀。精密量取1mL,置20mL量瓶中,精密加入内标溶液1mL,加环己烷至刻度,摇匀,即得。
03
供试品溶液的制备
精密量取本品50mL,加水250mL,照挥发油测定法(通则2204) 试验,自测定器上端加水使充满刻度部分并溢流入烧瓶时为止,加环己烷3mL,连接回流冷凝管,加热至沸并保持微沸4小时,放冷,将测定器中的液体移至分液漏斗中,冷凝管及挥发油测定器内壁用少械环己烧洗涤,并入分液漏斗中,分取环己烷液,水液再用环己烷提取2次,每次3mL,用铺有无水硫酸钠0.5g的漏斗滤过,合并环己烷液,置20mL 量瓶中,精密加入内标溶液1mL,加环己烷至刻度,摇匀,即得。
04
分析条件
色谱柱:SH-Wax
(30m,0.32 mm×0.25μm
;P/N:221-75895-30)
柱温:110°C
载气:N2
进样口温度:250°C
分流模式:分流(25:1)
控制模式:恒线速度(33.9cm/s)
检测器:FID,温度:240°C
进样量:1μL

实验结果


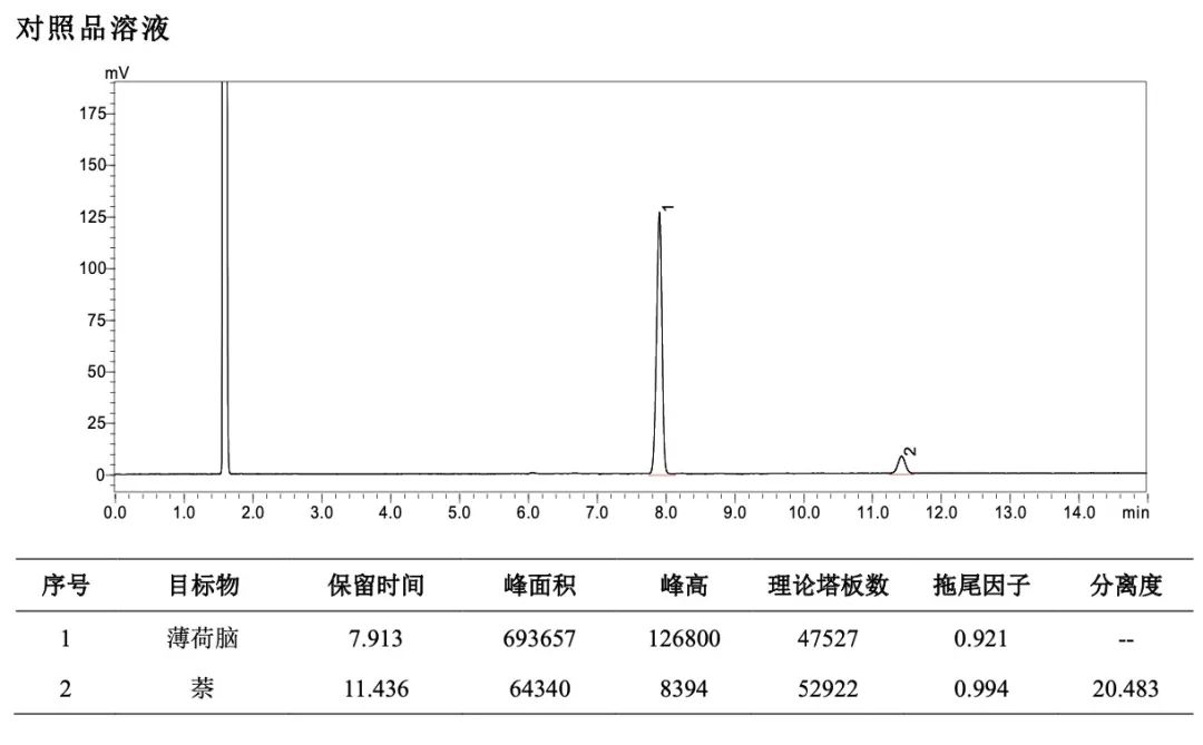
按照上述色谱条件(1.4)进行采集,对照品溶液和供试品溶液色谱图如下:



本文地址: https://www.xsyiq.com/50632.html
网站内容如侵犯了您的权益,请联系我们删除。